EstiSource-Spider Universal Cross
X
Estimate for:

Part Name: Universal Cross- Forging - Poland

Universal Cross (Forging - Poland)(also called a universal coupling or U-joint) is a joint or coupling connecting rigid shafts whose axes are inclined to each other. It is commonly used in shafts that transmit rotary motion. is a mechanical connection that allows one rod to rotate at an angle to another while transmitting torque and rotary motion. It consists of a cross-shaped piece (the spider) that sits at the center, with its arms connected by bearings to the forks of the driving and driven shafts. This configuration allows the Read more...
Universal Cross
Universal Cross
*All Values must be greater than zero
Part Dimension (in Millimeters) Override Part Dimension
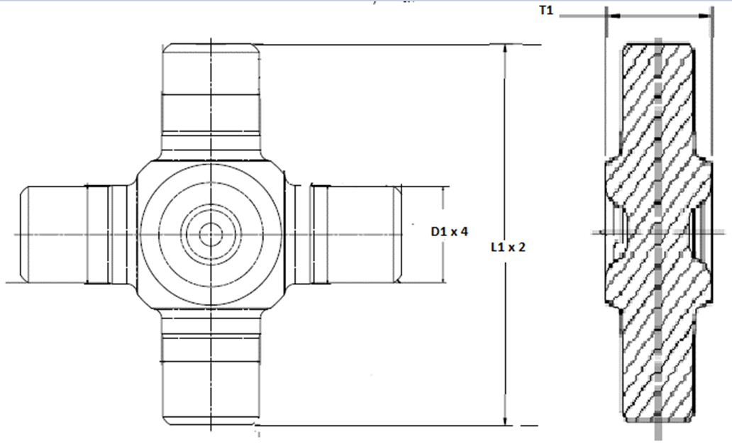
Rod Dia D1 (mm)*
Rod Length L1 (mm)*
Thickness of Bar T1 (mm)
Universal Cross
Material
Annual Volume (override volume if required) Value should be less than 9999999
Weight Details Estimated Weight (kg) Override Weight (kg)
Net Weight
Gross Weight
Process Description
Operation Cost (Local Currency) USD Override Cost in Local Currency
Billet Cutting
Forging
Heat Treat Carburizing
Shotblasting
MPI
Inspection
Oiling
Total Process Cost
Cost Breakup Details Cost Breakdown/Piece () Input values to update cost
Material Cost
Conversion Cost
SGA Cost
Profit Cost
Packaging
Freight
Tooling-Rejection Others
SELL PRICE
Feedback/Report Bug
Supplier

Become a supplier

Gain the opportunity to showcase your products to a global audience and connect with potential customers who value quality and reliability. Register

>
Corporate

Corporate Register/Login

you unlock a world of exclusive resources tailored to elevate your professional projects.Register /Login

>

the estimated value for the manufacturing parts?:

How would you rate?