EstiSource-Tripot Housing - Male
X
Estimate for:

Part Name: Tripot Housing Male- Forging - Taiwan

A Tripot Housing (Forging - Taiwan) is a shaft or axle that transmits power from the engine to the wheels. It uses a tripot type of constant velocity joint (CV-Joint) of three ball bearings mounted on the spider assembly within the housing, allowing for smooth rotation and power transmission even at varying angles.This design minimizes friction and wear, enhancing the durability and performance of the drivetrain.The tripot CV joint accommodates changes in suspension geometry, ensuring consistent power Read more..
Tripot Housing Male
Tripot Housing Male
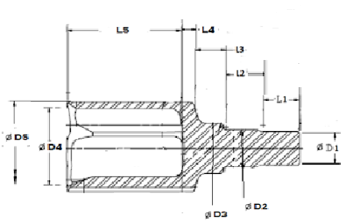
*All Values must be greater than zero
Part Dimension (in Millimeters) Override Part Dimension
Stem Diameter D1 (mm)*
Stem Length L1 (mm)*
Housing Inside Diameter D4 (mm)* Value should be greater than D3
Length L4 (mm)*
Outside Dia of Housing D5 (mm)* Value should be greater than D4
Length of the Housing Cup L5 (mm)*
Collar Diameter D2 (mm) Value should be greater than D1
Collar Length L2 (mm)
Tapper Diameter D3 (mm) Value should be greater than D2
Tapper Length L3 (mm)
Tripot Housing Male
Material
Annual Volume (override volume if required) Value should be less than 9999999
Weight Details Estimated Weight (kg) Override Weight (kg)
Net Weight
Gross Weight
Process Description
Operation Cost (Local Currency) USD Override Cost in Local Currency
Billet Cutting
Shot Blasting
Heating
Forging
Slow Cooling
Marking
Shot Blasting 2
Phosphating
Cold Sizing
MPI
Forging Inspection
Total Process Cost
Cost Breakup Details Cost Breakdown/Piece () Input values to update cost
Material Cost
Conversion Cost
SGA Cost
Profit Cost
Packaging
Freight
Tooling-Rejection Others
SELL PRICE
Feedback/Report Bug
Supplier

Become a supplier

Gain the opportunity to showcase your products to a global audience and connect with potential customers who value quality and reliability. Register

>
Corporate

Corporate Register/Login

you unlock a world of exclusive resources tailored to elevate your professional projects.Register /Login

>

the estimated value for the manufacturing parts?:

How would you rate?