EstiSource-Tooth EA Tele
X
Estimate for:

Part Name: Tooth EA Tele- Powder Metallurgy - S.Korea

Tooth EA Tele (Powder Metallurgy - S.Korea) part refers to a gear tooth, a projecting part on a gear wheel that meshes with another gear to transmit motion or power.Gear teeth are essential components in mechanical systems designed to transmit motion and power between rotating shafts. They mesh with corresponding teeth on another gear to transfer rotational energy from one shaft to another.Gear teeth are essential components in mechanical systems designed to transmit motion and power between rotating shafts. They meshRead more..
Tooth EA tele
Tooth EA tele
*All Values must be greater than zero
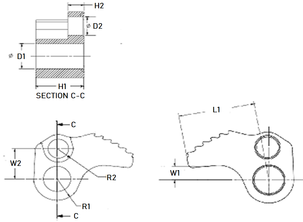
Part Dimension (in Millimeters) Override Part Dimension
Height of Guide H1 (mm)*
Outer Radius of Hole 1 R1 (mm)*
Outer radius of Hole 2 R2 (mm)*
Length from Hole center L1 (mm)*
Width from Hole Center W1 (mm)*
Center to Center Distance Hole (H1 & H2) W2 (mm)* value should be greater than sum of R1 and R2
Diameter of Hole 1 D1 (mm)* value should be less than R1*2
Diameter of Hole 2 D2 (mm) value should be less than R2*2
Thickness of Hole 2 H2 (mm) value should be less than H1
con_rod_half
Material
Annual Volume (override volume if required) Value should be less than 9999999
Weight Details Estimated Weight (kg) Override Weight (kg)
Net Weight
Gross Weight
Process Description
Operation Cost (Local Currency) USD Override Cost in Local Currency
Powder Mixing
Compacting
Sizing
Sintering
Hardening Tempering
Machining
Grinding
Infiltration
Coating/Plating
Resonance/Final Inspection
Oiling Packaging
Cost Breakup Details Cost Breakdown/Piece () Input values to update cost
Material Cost
Conversion Cost
SGA Cost
Profit Cost
Packaging
Freight
Tooling-Rejection Others
SELL PRICE