EstiSource-Rack Bearing Assembly
X
Estimate for:

Part Name: Rack-Bearing Assembly- Powder Metallurgy - Spain

"Rack Bearing Assembly (Powder Metallurgy - Spain)" typically refers to a component used in machinery and mechanical systems to support and guide the motion of a rack. A rack is a linear toothed or grooved bar that meshes with a gear or pinion to convert rotational motion into linear motion or vice versa. The rack bearing assembly helps ensure smooth and precise movement along the rack.Bearings are the core components of the rack bearing assembly. They are selected based on the specific requirements of the application, Read more...
Rack-Bearing Assembly
Adaptor
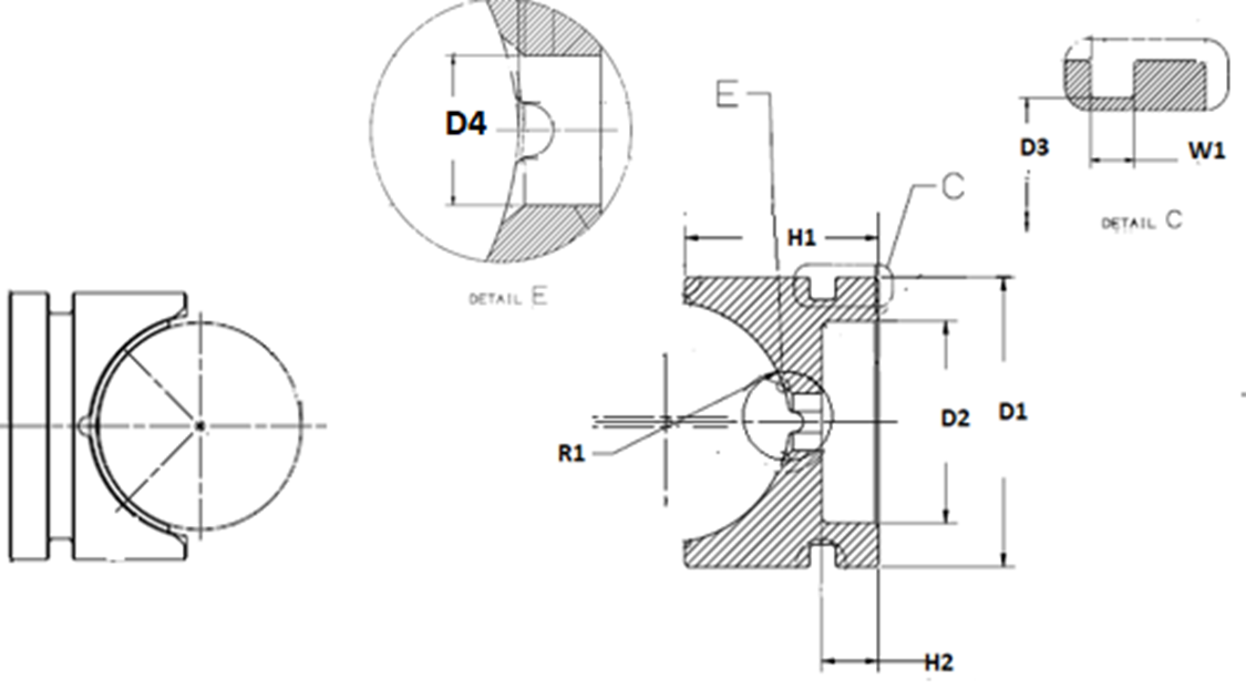
*All Values must be greater than zero
Part Dimension (in Millimeters) Override Part Dimension
Outside Diameter D1 (mm)*
Total Height H1 (mm)*
Radius R1 (mm)* value should be less than D1 value should be less than H1
Inside Diameter D2 (mm)* value should be less than D1
Inside Diameter Depth H2 (mm)* value should be less than H1
Grove Diameter D3 (mm) value should be less than D1 value should be greater than D2
Grove Width W1 (mm)* value should be less than H1
Inside Diameter D4 (mm)* value should be less than D2 value should be less than R1
Rack-Bearing Assembly
Material
Annual Volume (override volume if required) Value should be less than 9999999
Weight Details Estimated Weight (kg) Override Weight (kg)
Net Weight
Gross Weight
Process Description
Operation Cost (Local Currency) USD Override Cost in Local Currency
Powder Mixing
Compacting
Sizing
Sintering
Hardening Tempering
Machining
Grinding
Infiltration
Coating/Plating
Resonance/Final Inspection
Oiling Packaging
Total Process Cost
Cost Breakup Details Cost Breakdown/Piece () Input values to update cost
Material Cost
Conversion Cost
SGA Cost
Profit Cost
Packaging
Freight
Tooling-Rejection Others
SELL PRICE
Feedback/Report Bug
Supplier

Become a supplier

Gain the opportunity to showcase your products to a global audience and connect with potential customers who value quality and reliability. Register

>
Corporate

Corporate Register/Login

you unlock a world of exclusive resources tailored to elevate your professional projects.Register /Login

>

the estimated value for the manufacturing parts?:

How would you rate?