EstiSource-Connecting Rod Full"
X
Estimate for:

Part Name: Connecting Rod Full- Machining - Brazil

Connecting Rod (Machining - Brazil) is typically made of high-strength steel or aluminum alloy. It has a long, slender shape with a large eye or bore at one end to accommodate the piston pin and a smaller eye at the other end to connect to the crankshaft, Typically made from durable materials such as forged steel or aluminum, the rod cap ensures the proper alignment and secure attachment of the connecting rod to the crankshaft, maintaining engine efficiency and performance. ts main applications include Read more..

Connecting Rod Full
Connecting Rod Full
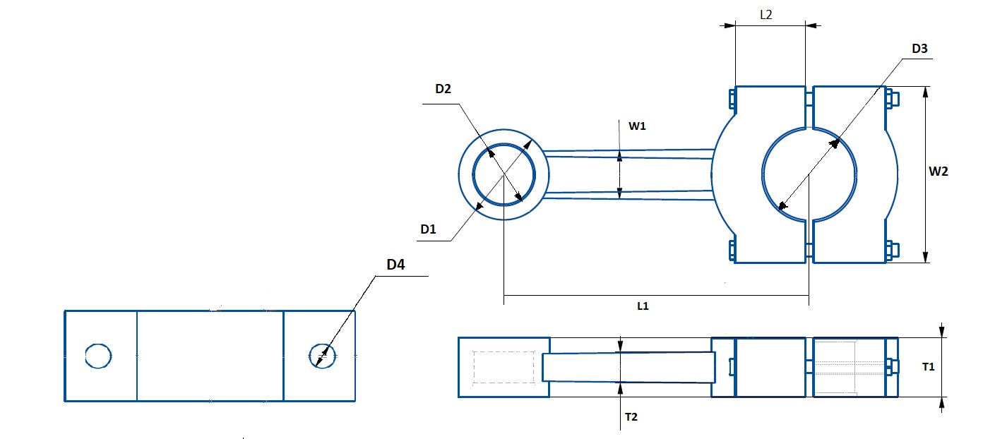
*All Values must be greater than zero
Part Dimension (in Millimeters) Override Part Dimension
Outer Diameter of Small End D1 (mm)*
Inner Diameter of Small End D2 (mm)*
Thickness Big & Small End T1 (mm)*
Rod Length (Small End to Big End Center) L1 (mm)* Value should be greater than sum of D1 and W2 Value should be greater than D2
Rod I section thickness T2 (mm)* Value should be less than T1
Rod I section Width W1 (mm)* Value should be less than D1
Length Of Big End L2 (mm)*
ID of Big End D3 (mm)* Value should be less than W2
Width Of Big End W2 (mm)* Value should be greater than W1 Value should be greater than L2
Diameter Of Drill Hole D4 (mm)* Value should be less than T1
con_rod_half
Material
Annual Volume (override volume if required) Value should be less than 9999999
Weight Details Estimated Weight (kg) Override Weight (kg)
Net Weight
Gross Weight
Process Description
Operation Cost (Local Currency) USD Override Cost in Local Currency
Rough Grinding
Small End Drill Hole
Small End Bore Semifinsh & Chamfer
Location Milling
Bolt Head Milling
Number Punch & Debur
Rod & Cap Parting- Cutting
Rod mating face milling & Debur
Bolt Hole Drilling
Tapping drilled Hole
Assembly and Finish Grinding
Rough Bore- Big End
Finsh Bore (Big & Small End)
Chamfer
Bush Pressing
Oil Hole drilling
Finish Bore Big End & Bush Boring
Disaasembly & Washing
Inspection
Oiling
Total Process Cost
Cost Breakup Details Cost Breakdown/Piece () Input values to update cost
Material Cost
Conversion Cost
SGA Cost
Profit Cost
Packaging
Freight
Tooling-Rejection Others
SELL PRICE
Feedback/Report Bug
Supplier

Become a supplier

Gain the opportunity to showcase your products to a global audience and connect with potential customers who value quality and reliability. Register

>
Corporate

Corporate Register/Login

you unlock a world of exclusive resources tailored to elevate your professional projects.Register /Login

>

the estimated value for the manufacturing parts?:

How would you rate?