EstiSource-Cam Shaft
X
Estimate for:

Part Name: Cam- Powder Metallurgy - Spain

In automotive engineering, "cam rake" could be a term related to Camshafts (Powder Metallurgy - Spain). Camshafts are components in internal combustion engines that control the opening and closing of the engine's valves. The design of a camshaft, including the shape and timing of the cam lobes, can affect engine performance. "Cam rake" in this context might refer to a specific design aspect or adjustment related to the camshaft.n an engine tuning scenario, adjusting cam rake might involve altering the profile of the cam lobes Read more..
Cam
Cam
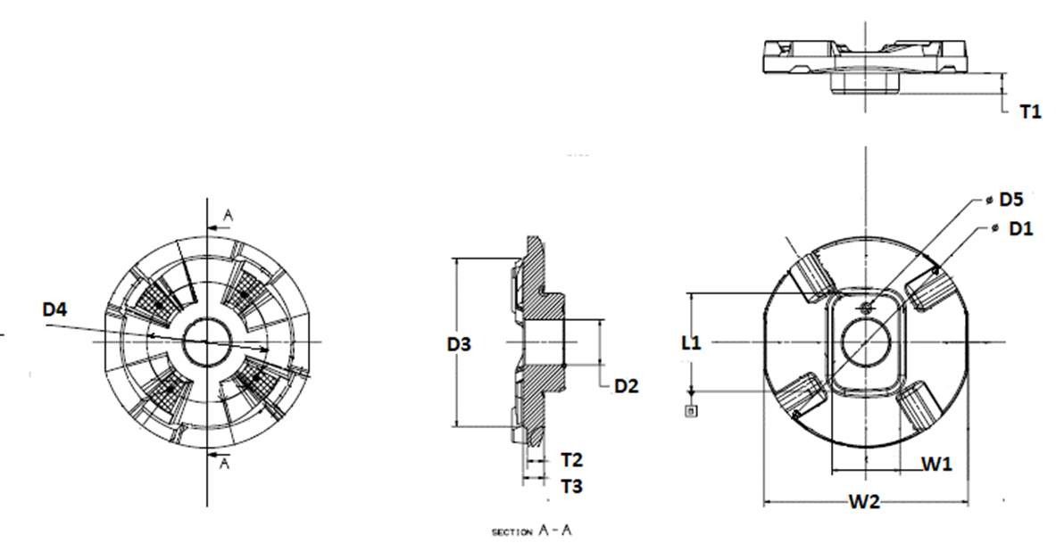
*All Values must be greater than zero
Part Dimension (in Millimeters) Override Part Dimension
Outside Diameter D1 (mm)*
Hole Diameter D2 (mm) * value must be less than D1
Thickness T2 (mm) *
Boss Length L1 (mm) * value must be less than D1value must be greater than D2
Boss Width W1 (mm) * value must be less than D1
Boss Thickness T1 (mm) *
Small Drill Hole D5 (mm) * value must be less than D2
OD Milling Slot width W2 (mm) value must be less than D1value must be greater than L1value must be greater than W1
Step Ring Inside Diameter D3 (mm) value must be less than D1value must be greater than D2
Step Ring Outside Diameter D4 (mm) value must be less than D1value must be less than D3value must be greater than D2
Ring Thickness T3 (mm) value must be greater than T2
Cam
Material
Annual Volume (override volume if required) Value should be less than 9999999
Weight Details Estimated Weight (kg) Override Weight (kg)
Net Weight
Gross Weight
Process Description
Operation Cost (Local Currency) USD Override Cost in Local Currency
Powder Mixing
Compacting
Sizing
Sintering
Hardening Tempering
Machining
Grinding
Infiltration
Coating/Plating
Resonance/Final Inspection
Oiling Packaging
Total Process Cost
Cost Breakup Details Cost Breakdown/Piece () Input values to update cost
Material Cost
Conversion Cost
SGA Cost
Profit Cost
Packaging
Freight
Tooling-Rejection Others
SELL PRICE
Feedback/Report Bug
Supplier

Become a supplier

Gain the opportunity to showcase your products to a global audience and connect with potential customers who value quality and reliability. Register

>
Corporate

Corporate Register/Login

you unlock a world of exclusive resources tailored to elevate your professional projects.Register /Login

>

the estimated value for the manufacturing parts?:

How would you rate?