EstiSource
X
Estimate for:

Part Name: CVOR-Male- Forging - Taiwan

CVOR Male (Forging - Taiwan) A constant velocity joint is a mechanical component used in vehicles to transmit torque from the transmission to the wheels while allowing flexibility in various driving conditions. The outer race, also known as the outer joint or housing, is one of the main components of a CV joint. allowing the transmission of torque to the wheels through an angle, which is essential for steering and accommodating the up-and-down motion of the suspension. These grooves form tracks in which the Read more..
con_rod_half
CVOR Male
*All Values must be greater than zero
Part Dimension (in Millimeters) Override Part Dimension
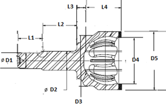
Stem Rod Diameter D1 (mm)*
Stem Rod Length L1 (mm)*
Collar Diameter D3 (mm)* value should be greater than D2
Outer Diameter of Cup D5 (mm)* value should be greater than D4
Cup Length L4 (mm)*
Cup Inside Diameter D4 (mm)* value should be greater than D3
Collar Length L3 (mm)*
Step Diameter Of Stem D2 (mm) value should be greater than D1
Step Length L2 (mm)
COVR Male
Material
Annual Volume (override volume if required) Value should be less than 9999999
Weight Details Estimated Weight (kg) Override Weight (kg)
Net Weight
Gross Weight
Process Description
Operation Cost (Local Currency) USD Override Cost in Local Currency
Billet Cutting
Shot Blasting
Heating
Forging
Slow Cooling
Marking
Shot Blasting 2
Phosphating
Cold Sizing
MPI
Forging Inspection
Cost Breakup Details Cost Breakdown/Piece () Input values to update cost
Material Cost
Conversion Cost
SGA Cost
Profit Cost
Packaging
Freight
Tooling-Rejection Others
SELL PRICE
Feedback/Report Bug
Supplier

Become a supplier

Gain the opportunity to showcase your products to a global audience and connect with potential customers who value quality and reliability. Register

>
Corporate

Corporate Register/Login

you unlock a world of exclusive resources tailored to elevate your professional projects.Register /Login

>

the estimated value for the manufacturing parts?:

How would you rate?