EstiSource-CVOR-Female
X
Estimate for:

Part Name: CVOR-Female- Forging - Brazil

The usage of the CV joint Female (Forging - Brazil) part in a driveshaft application is to provide a connection between the inner and outer parts of the CV joint. It allows the joint to articulate and transfer torque from the driveshaft to the wheels while compensating for the changing angles between them.Overall, the CV joint and its female part play a crucial role in maintaining the efficiency and reliability of the CV joint in a driveshaft application by providing support, protection, and proper alignment for the joint components.Read more..
con_rod_half
con_rod_half_f
*All Values must be greater than zero
Part Dimension (in Millimeters) Override Part Dimension
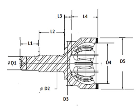
Stem Rod Diameter D1 (mm)*
Stem Rod Length L1 (mm)*
Collar Diameter D3 (mm)* value should be greater than D1 value should be greater than D2
Cup Length L4 (mm)*
OD Diameter Of Cup D5 (mm)* Value should be greater than D4
Collar Length L3 (mm)*
Cup Inside Diameter D4 (mm)* value should be greater than D2 value should be greater than D3 value should be greater than D1
Step Diameter Of Stem D2 (mm) value should be greater than D1
Step Length L2 (mm)
CVOR Female
Material
Annual Volume (override volume if required) Value should be less than 9999999
Weight Details Estimated Weight (kg) Override Weight (kg)
Net Weight
Gross Weight
Process Description
Operation Cost (Local Currency) USD Override Cost in Local Currency
Billet Cutting
Shot Blasting
Heating
Forging
Slow Cooling
Marking
Shot Blasting 2
Phosphating
Cold Sizing
MPI
Forging Inspection
Cost Breakup Details Cost Breakdown/Piece () Input values to update cost
Material Cost
Conversion Cost
SGA Cost
Profit Cost
Packaging
Freight
Tooling-Rejection Others
SELL PRICE
Feedback/Report Bug
Supplier

Become a supplier

Gain the opportunity to showcase your products to a global audience and connect with potential customers who value quality and reliability. Register

>
Corporate

Corporate Register/Login

you unlock a world of exclusive resources tailored to elevate your professional projects.Register /Login

>

the estimated value for the manufacturing parts?:

How would you rate?